平成24年 春期 基本情報技術者 午前 問25
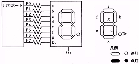
問25 7セグメントLED点灯回路7セグメント LED 点灯回路で,出力ポートに 16 進数で 6D を出力したときの表示状態はどれか。 ここで,P7 を最上位ビット(MSB),P0 を最下位ビット(LSB)とし,ポート出力が1のとき, LED は点灯する。
![]()
イ
ウ
エ
解説
[←前の問題] [次の問題→] [問題一覧表] [分野別] [キーワード索引] [基本情報技術者試験TOP ]
©2004-2025 情報処理試験.jp
|
プライバシーポリシー・著作権・リンク
|
お問合わせ
| |
